О кистовидном растяжении Нighmоr’овой полости
- Авторы: Карташев П.Н.
- Выпуск: Том 22, № 7 (1926)
- Страницы: 840-851
- Раздел: Статьи
- Статья получена: 31.08.2021
- Статья одобрена: 31.08.2021
- Статья опубликована: 04.09.2021
- URL: https://kazanmedjournal.ru/kazanmedj/article/view/79403
- DOI: https://doi.org/10.17816/kazmj79403
- ID: 79403
Цитировать
Полный текст
Аннотация
Существование кистовидного растяжения лобной и клиновидной пазух, а также и лабиринта решетчатой кости, не подлежит никакому сомнению,—подобного рода заболевания описаны в разное время многими авторами.
Ключевые слова
Полный текст
Существование кистовидного растяжения лобной и клиновидной пазух, а также и лабиринта решетчатой кости, не подлежит никакому сомнению,—подобного рода заболевания описаны в разное время многими авторами. В особенности значительный материал накопился в литературе по поводу кистовидного растяжения лобной пазухи (Proc h и о w, Killian, Головин, Гаген-Торн, Hajek, Вечтомов, Sacco, Thomson и другие).
В отношении кистовидного растяжения sinus maxillaris мы имеем, напротив, лишь краткие, отдельные сообщения без достаточного освещения их со стороны клинической и патолого-анатомической. Повидимому, еще не установилось вполне определенного взгляда на развитие и натуру указанного страдания, которое мы встречаем в описаниях старых и новых авторов то под названием hydrops, то—sinuitis cum dilatatione, то—mucocele.
Некоторые авторы (Оррiкоfег, Натансон и др.) сомневаются в самом существовании означенного заболевания. Однако Killian, в своей работе о mucocele придаточных пазух носа, основанной на довольно значительном материале (всего им собрано 64 случая, куда вошли наблюдения прежних авторов, сделанные еще в XVII—XVIII столетиях) вполне определенно говорит о существовании sinuitis cum dilatatione Higfamor овой пазухи.
Под названием mucocele или hydrops antri Highmori следует понимать скопление серозной или слизистой жидкости воспалительного характера в верхне-челюстной пазухе вследствие закрытия сообщительного отверстия последней с полостью носа. Закрытию этому благоприятствует анатомическое положение отверстия, находящегося тотчас под крышею пазухи.
Заболевание характеризуется медленным, постепенным расширением пазухи—настолько значительным, что в некоторых случаях полость ее может вмещать свыше 300 куб. см. (как это и было в одном из наших случаев).
Невидимому, одним из первых, отстаивавших идею о возможности задержания и скопления слизи в верхне-челюстной пазухе, был Jaurdain в 1778 г. Из литературы прошлого столетия мы имеем сообщение Feguisson’a (1850), который описал кистовидноэ расширение sinus ma~ xillaris. достигшее довольно значительных размеров; в другом сообщении тот же автор указывает на случай, встретившийся ему при вскрытии. Далее, в литературе прощиого столетия имеется сообщение о hydrops sinus maxillaris Maisonneuv’a (1855). Zucker k a ndl (1882) описал эмпиэму верхне-челюстной пазухи с зарощением ost. maxillaris. D m оchowsky (1895), исследовавший патолого-анатомически воспалительные процессы Highmor’oBoft полости, обнаруживал в некоторых случаях последнюю значительно расширенной и наполненной жидкостью, причем костные стенки ее были тонка, как бумага.
В литературе нынешнего столетия случай разбираемого заболевания был описан Hirsch’eM (1910), который наблюдал одновременно hydrops antri Highmori, sinus frontalis и ethmoidalis слева, а справа—hydrops sinus frontalis; в этом случае были также узура septi interorbitalis и распространение болезненного процесса на правую сторону; диагноз водянки antri Нighmоri был поставлен на основании рентгеновского исследования. Проф. В. И. Воячек (1912) также наблюдал случай, где вся Нigптог’ова полость вместе с соответствующей половиной носовой была превращена в одну полость, благодаря язвенным, а затем рубцовым процессам в носу, совершенно извратившим нормальные отношения носовой полости.
В новейшей ри но логической литературе имеются, затем, указания на случаи mucocele antri Highmori Hastings’a (1912), Wilkinson’a (1919) и Alvaro (1924), который описал „кистовидную опухоль" челюстной пазухи, развившуюся после огнестрельного ранения с разможжением мягких тканей; опухоль развилась медленно, исходила из antrum Highmori, в которой при пункции обнаружена светлая, лимонно-желтого цвета жидкость; стенки полости подверглись резорбции. Наконец, д-р Н. И. Фролов (1925) наблюдал в клинике проф. В о я ч е к а один случай mucocele Н i g h m о г’овой полости наряду с mucocele других пазух: лобной (5 случаев) и решетчатой (4 случая).
Рис. 1. Кистовидное растяжение левой Нighmоr’овой полости (сл. I). Резкое увеличение верхней челюсти, сильнее смещение левого глаза кверху'и кнаружи, выпячивание глазного яблока из орбиты.
В виду редкости разбираемого страдания считаю нелишним опубликовать в печати 4 случая его.
Случай I. Б-ой Л., 22 л., поступил в Казанскую Факультетскую Хирургическую клинику в ноябре 1920 г. с жалобами на опухоль, обезображивающую лицо, с левой стороны (рис. 1). Эта опухоль появилась весной 1914 г. после того,, как б-ной сильно ударился лицом при падении с лошади. В 1915 г. опухоль достигла довольно солидных размеров, не причиняя б-ному никаких растройств. В августе 1920.г. наблюдалось кровотечение из левой ноздри с опуханием всей левой половины лица. Фельдшер, к которому б-ной обратился, сделал прокол в области раздутой челюсти, причем появились кровянисто-слизистые выделения.
Рис. 2. Макроскопический препарат удаленной левой верхней челюсти (случ. 1). Вид с передненаружной стороны. Видно свищевое отверстие, ведущее в Нighmоr’ову пазуху, образовавшееся после прокола стенки ее.
Вся левая половина лица занята огромной опухолью, неподвижной, безболезненной, которая всей своей массой устремлена вперед, вверх и кнаружи. > нижнего полюса опухоли имеется свищ, окаймленный разросшимися грануляциями темно-красного цвета; из свища выделяется слизисто-гнойная жидкость. При исследовании зондом ясно ощущается, что конец его вращается в большой полости. При риноскопии найдено:'наружное отверстие левой полости расширено, и из него» выступает плотная опухоль, заполняющая весь носовой ход. Правая носовая полость значительно сужена вдавленной носовой перегородкой. Со стороны полости рта на твердом небе обнаруживается выпуклость опухолевидного^ характера, несколько заходящая за среднюю линию. Visas oculi sin. ослаблен на половину.
Диагноз колебался между злокачественным новообразованием (распадавшаяся саркома) и кистовидным растяжением верхне-челюстной пазухи. Вследствие подозрения на саркому с одной стороны и вследствие значительного обезображивания лица—с другой, решено произвести резекцию верхней челюсти.
Операция (resectio totalis maxillae sup. sin.) произведена 14/1 21 (проф. В. Н. Парии) под общим наркозом. В образовавшуюся послеудаления опухоли огромную полость вставлены тампоны, выведенные в рот. На лице рана зашита наглухо по всей линии разреза. Асептическая повязка. В первые сутки после операции явления шока, в дальнейшем течение благоприятное. Через 4 недели б-ой выписан с зажившей раной в полости рта.
Удаленная опухоль (рис. 2) достигала величины почти в 2 кулака взрослого человека. Внутри опухоли (рис. 3) имелась огромная полость, вмещавшая до 350 кб. см. жидкости. В полости этой зубов или их рудиментов, а также пристеночных кист, не обнаружено. Оболочка, выстилавшая полость, была довольно мягкая, нижняя стенка, обращенная к твердому небу, представлялась уплощенной. Сообщение с носовой полостью отсутствовало. Через бывшее свищевое отверстие проходил палец. На удаленной верхней челюсти имелись боковой резец (центральный удален во время операции), клык, два премоляра и два моляра—все совершенно здоровые. Зуб мудрости отсутствовал.
Микроскопическое исследование показало (рис. 4), что на внутренней поверхности полости находится слой фибрина, в петлях которого заложены круглые клетки. Далее видны расширенные сосуды, фибробласты в небольшом количестве, большое скопление круглых клеток, слой мелкоклеточковой инфильтрации, лимфоциты, полиморфноядерные лейкоциты, плазматические клетки. Ни эпителия, ни желез ни в одном из препаратов не обнаружено. Следующий слой—новообразованная, волокнистая соединительная ткань. Далее лежит более плотная соединительная ткань, за слоем которой—костная ткань в состоянии резорбции. Еще более кнаружи обнаружены, участки кости с ясно выраженными костными перекладинами и костным тельцами, сослоем остеобластов по периферии.
Рис. 3. Тот же препарат. Вскрытая Higmor’oвa пазуха. На слизистой оболочке ее, обращенной в полость видны бородавчатые возвышения. Ясно заметны совершенно не пораженные кариесом зубы
Таким образом в этом случае 1) медленно, почти без всяких болей появилось сильное опухолевидное выпячивание левой верхней челюсти, вызвавщеэ резкую деформацию лица; 2) произведена операция—полная резекция левой верхней челюсти; 3) удаленная опухоль макроскопически представляла из себя растянутую до огромных пределов верхне-челюстную пазуху с утолщенными стенками; 4) в кистовидной полости зубов или их рудиментов, корней зубов, а также пристеночных кист не обнаружено; 5) при патолого анатомическом исследовании стенки кистовидно растянутой Highm ог’овэй полости со стороны слизистой обнаружены явления хронического воспаления, эпителий на поверхности слизистой повсюду отсутствовал, а со стороны кости констатированы деструктивные и прогрессивные про цессы.
Случай II. Б-ой А., 20 л., обратился в Пермскую Госпитальную Хирургическую -клинику во время летних вакаций с явлениями припухлости в области правой щеки. Означенное заболевание стало развиваться с февраля 1916 г. после полученного им удара палкой по правой щеке. При давлении на область под скуловой дугой получался звук, похожий на хрустение,—здесь имелось истон'чение кости. С февраля 1923 г. стал говорить в нос, нос начало закладывать. Головных болей б-й не испытывал, зубы не болели, tbc, lues и алкоголизм отрицает.
При об’ективном исследовании были получены следующие данные: справа имеется довольно значительная (более куриного яйца величиною) опухоль с выпячиванием переднебоковой стенки Н i g h m о г’овой полости; твердое небо с правой стороны несколько опущено; в одном участке у f. canina обнаруживается пергаментный хруст. Наблюдавший больного клинический врач предположил саркому верхней челюсти, вследствие чего решил резецировать последнюю.
Операция 24/VIII 23 под общим наркозом. При попытке удаления верхней челюсти произошел перелом передней стенки Н i g lim о г’овой полости вследствие значительного истончения ее, и из полости выделилось мутное содержимое. Часть наружной и нижней стенки полости вместе с альвеолярным отростком и зубами удалена корнцангом, слизистая твердого неба сшита со слизистой щеки, образовавшаяся полость затампонирозана, причем тампон выведен в рот. 25/Ш обнаружен парез левой руки и ноги, назначены массаж и ванны. 27/Х функции левой руки и ноги восстановились. 29/Х б-ой выписан в хорошем состоянии; спустя некоторое время ему был изготовлен протез челюсти.
Рис. 4 Участок из поперечного среза станки кистовидно расширенной High m отовой полости. Слой фибрина, в петлях которого встречаются круглые клетки (полиморфноядерные лейкоциты). Глубже—слой мелкоклеточковой инфильтрации с расширенными сосудами, наполненными красными кровяными тельцами и слой соединительной ткани. Эпителий и железы отсутствуют.
При иссседовании удаленного препарата верхне-челюстная пазуха оказалась расширенной, с бухтообразными выпячиваниями, слизистая ее местами представлялась бородавчатой. Под микроскопом были обнаружены следующие картины: со стороны слизистой—тонкий слой уплощенного эпителия, местами слущенного; при отсутствии эпителия здесь имеется грануляционная ткань [ с обильной мелкоклеточковой инфильтрацией: кнаружи от этого слоя лежит рыхлая, а еще более кнаружи—плотная соединительная ткань, глубже—костная ткань в состоянии резорбции; в некоторых местах обнаруживаются явления новообразования кости.
Рис. 5. Кистовидное расширение правой верхне-челюстной пазухи (сл. III). Ясно заметная опухоль в области правой щеки, выпячивающая альвеолярный отросток кнаружи и вниз.
Итак в нашем II случае 1) постепенно, совершенно безболезненно развилось после травмы опухолевидное выпячивание правой верхней челюсти, вызвавшее ясно заметную ассиметрию лица; 2) при попытке произвести резекцию верхней челюсти была обнаружена кистовидно растянутая Н i g h m о г’ова пазуха, наполненная слизистым содержимым, с сильно истонченной стенкой в некоторых местах, вследствие чего произошел перелом кости; 3) удаленный препарат представлял из себя правую верхнюю челюсть, где назальная стенка и большая часть верхней отсутствовали, в кистовидно расширенной полости зубов или их рудиментов, корней зубов и пристеночных кист не обнаружено; 4) послеоперационное течение осложнилось появлением гемиплегии после перевязки art. carotis ext. (при перевязке последней ниже места отхождения art. thyreoid. super, как известно, наблюдается в некоторых случаях тромбоз art. carotis int. с последующей гемиплегией—W i еting): 5) микроскопическое исследование слизистой обнаружило явления воспаления, уплощение эпителия, местами его отсутствие; со стороны кости также, как и в нервом случае, были констатированы деструктивные и прогрессивные процессы.
Случай III. Б-ой Ш., 14 л., поступил в клинику 5/IX 23 с явлениями опухоли в области верхней челюсти, развившейся постепенно втечение года после простуды. В сентябре 22 г. б-ой обнаружил хруст в области тела верхней челюсти спереди и справа на уровне крыла носа.
На правой щеке (рис. 5) имеется опухоль величиной около куриного яйца, начинающаяся вверху от нижнего края орбиты. В одном месте обнаруживается истончение кости, пергаментный хруст: Зубы все целы, кариозных нет. Слизистая со стороны vestibuli oris и со стороны рта—нормальна. Пробный прокол передне-наружной стенки High итоговой полости, повлекшее за собой асимметрию лица; 2) произведено иссечение участка стенки верхне-челюстной пазухи со стороны преддверия рта; 3) вскрытая Н. пазуха оказалась значительно расширенной, с гладками стенками, со слизистым содержимым; 4) в кистовидно растянутой полости зубов или их рудиментов, корней зубов, а также пристеночных кист не обнаружено; 5) микроскопическое исследование обнаружило отсутствие эпителия или же местами— уплощенный многослойный эпителий: в подлежащих слоях—явления хронического воспаления; костная ткань носила следы рассасывания.
Случай IV. Б-ой Л., 23 л., поступил 4/Ш 25 с явлениями опухоли в области правой щеки, развившейся медленно, втечение 3 лет, после простуды.
Справа в области верхней челюсти имеется довольно плотная припухлость величиной с куриное яйцо, покрытая нормальной кожей. В одном месте у f. canina имеется размягчение, и обнаруживается глубокая флюктуация; при риноскопии— опухолевидное выпячивание в правой полости носа. *
Операция 17/Ш 25. Вблизи места'Перехода слизистой десны на слизистую щеки иссечен участок стенки кистовидно расширенной полости так, что образовалось отверстие около 11/2 попер, пальцев в диаметре. В Н i gli m о гювой полости обнаружена желтовато-бурая жидкость, выпущенная в количестве 55 кб. см. При исследовании пальцем стенки полости, зубов или их рудиментов, а также пристеночных кист не обнаружено, поверхность слизистой была ровная. В полость вставлен тампон, удаленный через 2 суток. В последующем течение благоприятное.
При микроскопическом исследовании в стенке полости было обнаружено значительное развитие соединительной ткани; эпителий и железы отсутствуют, отсутствует также и костная ткань.
Таким образом в этом случае 1) имело место опухолевидное выпячивание правой щеки, развившееся медленно и безболезненно после бывшей простуды; 2) операция состояла в иссечении части стенки верхнечелюстной пазухи со стороны vestibuli oris для опорожнения полости; 3) полость пазухи, при исследовании пальцем, оказалась расширенной, с гладкими стенками, в месте иссечения ткань была соершенно лишена костного вещества; 4 зубов или их рудиментов, а также корней зубов и пристеночных кисть в полости обнаружено не было; 5) микроскопически здесь были установлены: отсутствие эпителия и желез, значительное развитие соединительной ткани, отсутствие костной ткани.
В этиологии mucocele придаточных пазух нсса вообще играют главную роль травма и воспалительный процесс. Что касается, в частности, mucocele sinus maxiHaris, то. кроме указанных моментов, большинство авторов видит причину этой аномалии в закрытии сообщительного отверстия с полостью носа и скоплении свободной серозной или слизистой жидкости и полости пазухи (Jourdain и D elesch amps, Heath, Killian, Геркен, H aj ek и др.). По мнению проф. В. И. Воячека mucocele Highmor’oBoh полости может развиваться или как самостоятельная форма, или же как вторая стадия эмпиэмы. Фролов полагает, что в происхождении mucocele придаточных полостей носа могут играть роль травма, катарральное воспаление, периостит, люэтические рубцы, экзостозы и опухоли. По нашему мнению в происхождении mucocele sinus maxillaris с несомненностью имеют большое значение механические препятствия, напр., стриктуры вследствие воспаления и послетравматических изменений; могут эти препятствие возникнуть и благодаря прилегающим опухолям, полипозным разрощениям и т. п.
Клиническое течение разбираемой болезни—очень медленное, почти совершенно безболезненное. Болезнь не причиняет поэтому каких-либо неприятностей ее носителю, и только наступающее обезображивание лица заставляет последнего обратиться к хирургу.
Прогноз страдания quoad vitam нужно в общем признать благоприятным. Разумеется, достигшее очень значительных размеров расширение полости может вызвать смещение таких важных органов, как глаз, может обусловить резкое отклонение носовой перегородки (наш случай I) и пр.
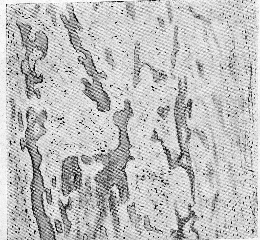
Рис. 6 Участок кости, подвергшейся рассасыванию. Основное вещество кости совершенно утратило нормальную структуру, имеет вид пластинок и полос различной формы с зазубренными краями. Костные тельца незаметны. Ядра не красятся. Между этими участками кости—новообразованная соединительная ткань. Кнутри прилегает плотная волокнистая ткань. Увеличение то же.
В патолого-анатомическом отношении процесс характеризуется, как уже сказано, расширением или растяжением стенок Нighmог’овой пазухи вследствие относительного или абсолютного закрытия ost. maxillaris. Сначала расширяется носовая стенка, выпячиваясь в медиальную сторону, затем орбитальная и, наконец, передняя. Растяжение Н. полости иногда может достигнуть весьма значительных размеров (случ. проф. Воя чека, наш случай I, где удаленной анатомический препарат представлял из себя как-бы большую костную коробку, вмещавшую в себе до 350 кб. см. жидкости).
Что касается гистологических изменений, какие претерпевают, при mucocele, слизистая, оболочка и стенка Н i g h m о г’овой полости, то в наших случаях имело место значительное развитие соединительной ткани в утолщенной мукозе. В поверхностных слоях ее находился значительный инфильтрат с преобладанием лимфоцитов и плазматических клеток, встречались и полиморфноядерные лейкоциты. Эпителий в 2 из наших случаев отсутствовал, в 2 других был уплощен.
Со стороны кости при mucocele наблюдаются явления истончения, рассасывания ее снутри (рис. 6), при новообразовании кости (рис. 7) снаружи—вплоть до образования остеофитов.
Содержимое кистовидно растянутой пазухи может быть серозным, слизистым или слизисто-гнойиым,—отсюда и названия hydrops, mucocele и pyocele. Чистый hydrops встречается все реже (по Killian’y в 8о/о). В наших случаях содержимое растянутой пазухи в одном случае было «слизисто-гнойное, в других—слизистое или серозно-слизистое.
Рис. 7. Новообразованная костная ткань. Видны костные перекладины с хорошо заметными костными клетками. По периферии—слой остеобластов. В промежутке между костными перекладинами молодая соединительная ткань с значительным количеством клеточных элементов. Кнаружи от костного вещества соединительная ткань, носящая следы воспаления. В подслизистой ткани, кнаружи от слоя костной ткани (участок взят из носовой стенки Нigmо Новой полости), видны железы Слизистая оболочка покрыта мерцательным цилиндрическим эпителием (эпителий слизистой обол, наружной стенки носовой стенки).
Диагностика mucocele sinus maxillaris представляет известные затруднения, так как заболевание это может быть смешано с целым рядом других: гайморит, остео-саркома, развившаяся из задней стенки Highmo г'овой полости и проросшая в последнюю с выпячиванием передней стенки, слизистая киста Highmor'oBoh полости, зубная околокорневая и фолликулярная кисты, закрытая эмпиэма—все они могут симулировать интересующее нас заболевание. Во избежанае диагностических ошибок надо иметь в виду, что mucocele sinus maxillaris представляет обычно следующие характерные особенности, мало свойственные перечисленным выше заболеваниям: 1) начало после бывшей травмы или воспалительного заболевания; 2) медленное и безболезненное развитие опухолевидного выпячивания соответственно верх не-челюстной пазухе; 3) значительное расширение стенок Н i g h ш о г'овой полости при отсутствии воспалительных явлений со стороны мягких тканей и кариозных зубов с пораженной стороны; 4) наличие мест размягчения костного вещества и в то же времяпериостальных отложений; 5) выпячивание медиальной стенки Н. полости в носовой ход, обнаруживаемое при риноскопии; 6) ^наличность в пазухе серозно-слизистой жидкости при пробном проколе; 7) затемнение Н. полости при рентгеновском исследовании; 8) при микроскопическом исследовании стенки кистовидно растянутой пазухи—а) значительную круглоклеточковую инфильтрацию со стороны слизистой оболочки с отсутствием или метаплазией эпителия, б) явления рассасывания кости с новообразованием костного вещества снаружи и в) значительное развитие соединительной ткани.
Переходя к дифференциальному распознаванию, отметим, что гайморит характеризуется: 1) возникновением болезни обычно после упорного насморка, 2) болью на пораженной стороне, 3) обильным выделением пз носа, часто гнойного характера, 4) набухлостью слизистой носа,. 5) в некоторых случаях появлением гноя под средней раковиной, 6) наличностью кариозных участков кости. Этих признаков при mucocele мы не обнаруживаем, или, по крайней мере, встречаем лишь некоторые из них, и то выраженными в слабой степени.
Остеосаркому мы можем отличить от разбираемого нами страдания на основании: 1) быстрого роста, сопровождаемого болями, 2) твердости при ощупывании и отсутствия мест размягчения, 3) отрицательных результатов пробного прокола.
Кисты слизистой оболочки Нig11шг’овой полости обычно бывают множественными, представляясь в виде желтоватых или беловатых тонкостенных пузырьков круглой или полукруглой формы, иногда сидящих на ножке. И величина, и количество их варьирует: Giral des наблюдал в челюстной пазухе более 20 кист, Неу шапп—11. Sch 1 age п hauler—около 21: у Werklier’a приводятся случаи Beraud и Wern е u i 1 я, где по всей слизистой челюстной пазухи были рассеяны маленькие кисты величиной с конопляное зерно; с другой стороны описаны случаи, где киста совершенно выполняла совершенно всю полость (Giral d ё s, Luschka, Неу ш ап п). Содержимое кист может быть серозным жидким или иметь консистенцию яичного белка.
Что касается околокорневых зубных кист, то еще Dupuytren (1833), устанавливая диагностику челюстных кист, считал исходным пунктом их кариозные зубы.
Для радикулярных кист характерен медленный, постоянный рост, протекающий совершенно безболезненно. Совершается он в сторону наименьшего сопротивления, почему иногда наблюдается, что киста частично или полностью занимает область верхне-челюстной пазухи. Прорыв кисты в Н i gh ш ог’ову полость наблюдается редко, чаще киста оттесняет впереди себя слизистую antri, пока последняя не спадается в виде пустого сложенного мешка. Кисты эти чаще наблюдаются в верхней челюсти. По Perth es’y большая часть околокорневых кист встречается в 20—30летнем возрасте. Содержимое кисты—серозно-слизистая жидкость, содержащая в значительном количестве лейкоциты, красные кровяные тельца, плоский эпителий, кристаллы холестеарина (Romer). При исследовании стенки кисты обнаруживаем эпителиальный слой, инфильтрированный круглыми клетками; часто эпителиальные тяжи тянутся в глубину. При рентгеновском исследовании можно видеть обнаженный конец верхушки корня, торчащий в полость кисты. Важно отметить еще, что при кистах этого рода мы не наблюдаем периостальных отложений (Hauenstein, Bartsch). В патогенезе околокорневых кист, по мнению многих авторов, играют роль эмбриональные эпителиальные остатки Malassez (debris epitheliaux paradentaires Malassez), группирующиеся вокруг корневой верхушки.
При фолликулярных кистах дело идет об образовании мешетчатых опухолей из зубного фолликула, по Peckert’y—по окончании образования эмали. Обычно эти кисты наблюдаются в возрасте от 12 до 16 лет, на зачатках второго прорезывания, чаще встречаются в нижней челюсти. Возникновение их нужно поставить в зависимость от растройств в развитии зубов. По S ternf eld’y здесь мы имеем т. наз. гетеротопию—развитие зуба на ненормальном месте; может здесь быть и совершенная ретенция зуба. Ретинированные зубы или их рудименты являются исходными пунктами для образования фолликулярных кист, причем происходит кистозное перерождение фолликулярного мешка. При микроскопическом исследовании стенки этих кист мы видим картину, сходную с той, которую можно наблюдать в случае кисты околокорневой: имеется внутренняя выстилка из нескольких рядов эпителиальных клеток, а снаружи—соединительнотканный слой, богатый кровеносными сосудами. Не говоря уже о таких данных пато-гистологического исследования, фолликулярные кисты могут быть дифференцированы от mucocele sinus maxillaris наличием в полости их зубов, которые обращены в полость коронкой, или их рудиментов.
В случае закрытой эмпиэмы, когда сообщительное с носовой полостью отверстие закрывается, как и при эмпиэме вообще, мы будем иметь . воспалительные явления со стороны мягких тканией, более быстрое развитие, болезненное течение, наличие кариозных участков кости. В некоторых случаях, однако, процесс носит столь доброкачественный характер, что не представляется возможным отличить его от разбираемой нами формы mucocele, почему вполне понятно, что некоторые авторы и относят это заболевание к закрытым эмпиэмам.
Обращаясь, наконец, к лечению mucocele Н i g h m о г'овой полости, заметим, что при этом заболевании лучше всего производить операцию по Саdwel1-Lu’y, притом без выскабливания слизистой (Воячек).
Выводы:
- Mucocele sinus maxillaris характеризуется значительным расширением верхне челюстной пазухи, происходящим вследствие давления скапливающегося в ней секрета в результате закрытия истинного отверстия High то г’овой полости.
- Течение процесса представляется здесь медленным и безболезненным, сказываясь лишь—при значительном растяжении стенок полости—обезображиванием лица.
- В происхождении mucocele играют главную роль травма и предшествовавшее воспаление.
- При пальпации верхней челюсти можно обнаружить в некоторых местах участки размягчения костного вещества, дающие впечатление флюктуации.
- При риноскопии у больных с разбираемым заболеванием обнаруживается выпячивание медиальной стенки верхне-челюстной пазухи в носовой ход.
- Рентгеноскопия дает затемнение Нighmог’овой полости на пораженной стороне.
- Пробный прокол обнаруживает при mucocele серозную или слизистую жидкость.
- При патолого-анатомическом исследовании мы имеем: а) значительно растянутую пазуху, превосходящую нормальные размеры полости во много раз; б) истонченную костную стенку полости при наличии в некоторых местах утолщения всей стенки; в) микроскопическое исследование обнаруживает—со стороны слизистой отсутствие эпителия или замену его плоским, значительную круглоклеточковую инфильтрацию в подэпителиальном слое, при отсутствии эпителия—грануляционную ткань; костная ткань представляет явные следы рассасывания, местами совершенно утрачивая нормальную структуру; с другой стороны в ней обнаруживаются явления новообразования кости.
- Прогноз при кистовидном растяжении Н i g h ш о г’овой полости quoad vitam благоприятен.
- При лечении mucocele High mo г’овой пазухи, как и при mucocele других придаточных пазух, необходимо, во избежание рецидивов, создавать широкое соустье с полостью носа.
Список литературы
- Астахов Н. А. Дисс., СПБ., 1908.—
- Вое uni ugh a us. Handb. d. spez. Chir. d. Ohres u. d. Oberenluftwege, herausg. L. Katz u. В 1 u m e n f e 1 d, Bd. Ill, 923.
- Вечтомов А. А. Перм. Мед. Журн., 1923, № 1—2.
- Воячек В. И. Вест, ушн., горл, и нос. бол., 1912, стр. 816.—
- Он же. Ушные, нос.и горл, болезни, ч. II. 1926.—
- Геркен Н. А. Дисс , Казань, 1892.—
- Он же. Рус Хир., 1904, отд. XIII.—
- Головин С. С. Вест. Офт., 1909, т. 26.—
- Dmochowsky. Arch. f. Laryng., 1895, Bd. III.—
- Hajek. Path. u. Ther. d. entziindl. Erkrankungen d. Nebenhohlen d. Nase, 1909.—
- Кaufmann Ed. Lehrb d. spez. pathol. Anat., 1922, Bd. I.—
- Killian G. Handb. d. Laryng. u. Rhinol., 1900.—
- Partsch. D. Monat. f. Zahnheilk., 1892, H. 17.—
- Паутов H. А. К пат. придаточных пазух носа в связи с атрофическим ринитом. Петроград, 1923.—
- Ribher t. Lehrb. d. allg. Path, u. path. Anat., 1923.-—
- Scheff. Lehrbuch d. Zahnheilk., 1909.—
- Zuckerkandl E. Norm. u. pathol. Anatomie d. Nebenhohlen d. Nase, 1882.—
- Цытович M. Ф. Болезни уха, носа и горла, Саратов, 1924.
Дополнительные файлы










