On the effect of certain substances on bone tissue regeneration
- Authors: Elyashev A.I.1, Perlin M.S.1, Tsyurlo E.A.1
- 
							Affiliations: 
							- State Order of Lenin Institute for Advanced Training of Physicians. S. M. Kirov
 
- Issue: Vol 33, No 4 (1937)
- Pages: 470-476
- Section: Articles
- Submitted: 26.06.2021
- Accepted: 26.06.2021
- Published: 15.04.1937
- URL: https://kazanmedjournal.ru/kazanmedj/article/view/72210
- DOI: https://doi.org/10.17816/kazmj72210
- ID: 72210
Cite item
Full Text
Abstract
A large number of works are devoted to the morphology of the regenerative process in bones. However, this question still cannot be considered finally studied. There are still serious disagreements regarding the sources of bone tissue regeneration, the process of ossification, etc.
Keywords
Full Text
Морфологии регенеративного процесса в костях посвящено большое количество работ. Однако вопрос этот до сих пор нельзя считать окончательно изученным. Существуют еще серьезные разногласия относительно источников регенерации костной ткани, процесса окостенения и т. п. Из всех работ, посвященных этому вопросу, кажется нам возможным сделать следующие основные и важные как в научном, так и в практическом отношении выводы:
- Кость—эта инертная и плотная на вид ткань, при ближайшем рассмотрении оказывается наиболее изменчивой тканью человеческого организма. Регенеративный процесс при различных повреждениях костной ткани идет по типу весьма сложной трансформации клеточных элементов, входящих в ее состав, и при сложнейших физико-химических изменениях среды в области поражения. При этом оказывается, что костная ткань обладает способностью давать своеобразные реакции на всевозможные раздражения, в особенности механической и химической природы.
- На процесс регенерации костной ткани наибольшее влияние оказывают местные условия, в которых этот процесс развертываетс я. Важнейшими факторами являются здесь кровоснабжение области поражения (Лексер), наличие продуктов клеточного распада (Бир), наличие необходимых солей для окостенения. Общее влияние состояния организма играет лишь подчиненную роль.
Клиника лечения костных переломов подтверждает, что только тяжелые заболевания, резко расстраивающие его общий обмен, как, например, диабет, авитаминоз и др., способны оказывать тормозящее влияние на регенеративный процесс. Эти обстоятельства уже с давних пор привели к попыткам воздействовать на регенеративный процесс в кости, в целях его стимуляции, путем местного применения различных раздражителей.
Укажем здесь, что еще в начале 2-й половины прошлого столетия Думрайхер предложил для усиления формирования мозоли применять пассивную гиперемию. В 1886 г. Томас для той же цели предложил производить перкуссию на месте перелома, а также эластическую перетяжку выше и ниже места перелома для создания в этом участке пассивной гиперемии.
Бир в 1903 году для ускорения образования костной мозоли стал применять впрыскивание крови, основываясь на клиническом наблюдении, что переломы, идущие со значительным кровоизлиянием, хорошо и быстро заживают, в то время как оперативно леченные переломы, сопряженные с удалением излившейся крови, заживают более медленно и вяло. В дальнейшем Бергель впрыскивал при незаживающих переломах порошкообразный фибрин, эмульсированный в физиологическом растворе, с хорошими результатами в смысле заживления, Для стимуляции формирования мозоли был затем испробован целый ряд неорганических и органических веществ. Так, Гильдебранд, Бир и др. впрыскивали для этой цели в область перелома иодную настойку с благоприятными результатами. Похгаммер получил хорошие результаты от применения желатины, агар-агара, иода, фибрина, кровяных лепешек. Бергман и Рабль производили сравнительное изучение влияния на образование костной мозоли иодной настойки, ософита и крови.
Все эти вещества в эксперименте ускоряли заживление костных переломов. Альбе и Мориссон испробовали на крысах впрыскивание ряда раздражающих веществ: крови, фибрина, хлористого цинка и трикальцифосфата. Последнее вещество в 5% растворе укорачивало срок заживления наполовину. Буркгард произвел сравнительную оценку влияния впрыскиваний целого ряда веществ на регенерацию костной ткани (иодной настойки, концентрированной серной кислоты, анизотонический раствор поваренной соли с прибавкой адреналина, дестиллированную воду, гипертонический раствор поваренной соли, молочной кислоты, раствора мышьяка, адреналина, ософита, крови, эмбрионального экстракта и т. п.). Панкратьев изучал влияние на образование мозоли впрыскивания костной золы, эмульгированной в глицерине, желатине и глюкозе и получал у кроликов ускорение образования костной мозоли. Елецкий впрыскивал эмбриональный экстракт и получал такие же результаты.
Ближайшее изучение влияния различного рода указанных выше веществ на образование костной мозоли показывает, что большинство из них действует не прямым путем, а косвенно, вызывая некротические явления в клеточных элементах, продукты распада которых стимулируют регенеративный процесс. Как известно, Габерланд в особенности подчеркивает значение этих продуктов распада, носящих свойства клеточных гормонов. С другой стороны, некоторые из указанных выше веществ, как, например, кровь, агар-агар, глюкоза, костная мука и т. п. действуют на клеточные элементы непосредственно, повышая их жизнедеятельность путем подвоза необходимых питательных веществ. Методика введения указанных веществ включает в себя не только выбор соответствующего специфического вещества, но также правильную его дозировку, определенную концентрацию и соответствующие интервалы между инъекциями.
Для сравнительной оценки пригодна только такая методика, которая учитывает то обстоятельство, что при регенерации костная ткань весьма изменчива и реагирует на всякие, даже мельчайшие, уклонения в технике эксперимента. Поэтому мы должны подходить весьма критически к оценке данных, полученных на основании изучения формирования костной мозоли при экспериментальных переломах у животных. При этих опытах отсутствует гарантия получения одинаковых условий во всех случаях. Малейшее уклонение в расположении отломков, отслоение надкостницы, повреждение костного мозга самым существенным образом отражается на течении регенеративного процесса.
Учитывая это обстоятельство, мы в своих опытах остановились на следующей методике, которой пользовался ряд авторов (Родэ, Буркгард, Бемингуаз и др).
Техника операции состоит в следующем. У кролика производится эпиляция на месте циркулярного разреза кожи на небольшом протяжении. Эфирный наркоз. Предплечье в положении пронации. Циркулярный разрез кожи на 1 см выше лучезапястного сустава. Кожа в виде манжетки отодвигается выше локтевого сустава, тогда становится видной вена, которая идет сверху с лучевой стороны вниз к локтевой стороне. Выше этой вены производится разрез через фасцию до периоста лучевой кости. На протяжении 2-х см производится разрез надкостницы. Один край ее отодвигается в лучевую сторону, другой—в локтевую. Тонким скальпелем рассекается межкостная связка и в межкостный промежуток проводится тонкая пилка. Из лучевой кости выпиливается цилиндр, длиной равный диаметру кости. Кожная манжетка оттягивается книзу и накладываются узловые швы. Фиксирующая повязка не накладывается. Указанная выше методика несомненно также несвободна от некоторых недостатков. Техника выполнения операции требует особой тщательности, тонкого инструментария и навыка. Не всегда удается избежать повреждения мышц, межкостных сосудов. Тем не менее, при наличии значительного числа контрольных опытов удается получить материал, вполне пригодный для сравнительной оценки.
К преимуществам методики необходимо отнести возможность получения одинакового размера дефектов, без смещения отломков.
Наш материал составляет 42 опыта, проведенных по данной методике; из них 16 являются контрольными.
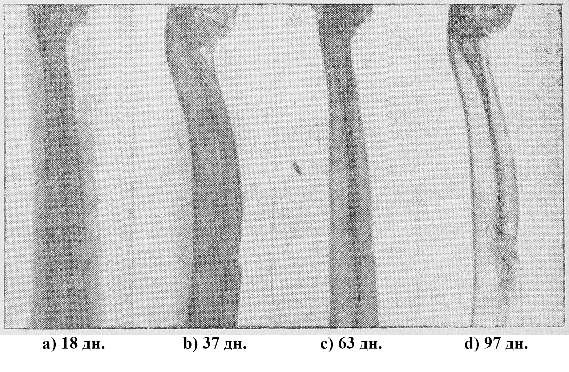
Остановимся прежде всего на этих контрольных опытах и проследим за динамикой регенеративного процесса в том виде, в каком он отражен на сериях рентгенограмм. Средний срок наблюдения над контрольными кроликами равен 62 дням. Первая реакция, выражающаяся в появлении нежных периостальных разращений, наступала в среднем на 17-й день. В дальнейшем образование мозоли протекало следующим образом. Периостальные разращения постепенно увеличивались, окутывая концы фрагментов. Заполнение дефекта кости наступало в среднем на 50-й день (см. р-грамму 1).
Р-грамма № 1. Контрольный кролик
Для стимуляции регенеративного процесса мы в своих опытах применяли следующие вещества: аутолизаты и лизаты, ософит, эмульсию Панкратьева № 2, кровь и стафилококковую вакцину.
Так как исследования Буркгард и Панкратьева показали, что наибольший эфект достигается инъекциями суспензии костной муки в коллоидном веществе, то мы наряду с указанными выше веществами в чистом виде применяли их в соединении с костной мукой. Указанные выше вещества мы впрыскивали в область дефекта. При этом первое впрыскивание мы производили на 8—10-й день после операции, считая необходимым дать стихнуть явлениям, связанным непосредственно с операционной травмой. После дующие опрыскивания производились нами через каждые 6 дней и прекращались к моменту наступления заполнения костного дефекта. Каждый опыт сопровождался рентгенологическими исследованиями через каждые 10 дней до наступления полной консолидации.
При оценке результатов впрыскивания нами принимались в расчет сроки появления первой реакции, срок полного заполнения костного дефекта и величина образовавшейся мозоли по сравнению с контролем.
Остановимся прежде всего на тех наших опытах, которые касаются применения веществ, действующих, по некоторым данным, стимулирующим образом на регенерацию кости своими специфическими свойствами. Эти опыты разделяются на 5 серий.
В I серию входят опыты с применением лизатов.
Применение различных экстрактов и аутолизатов из тканей для стимуляции регенеративного процесса в костях производилось неоднократно. Наблюдения за действием экстрактов и лизатов участились в особенности за последнее время (Лорин-Эпштейн, Буркгард, Геншен, Савиш, Казакевич и др.). При этом оказалось, что применение экстрактов и аутолизатов, содержащих белок, ведет в подавляющем большинстве случаев к гибели животного от общих явлений отравления продуктами распада белка, поэтому большинство авторов в последнее время применяет впрыскивание безбелковых экстрактов и аутолизатов. Буркгард впрыскивал в область дефекта кости у кроликов экстракт из костного лизата в чистом виде и в соединении с костной мукой и получил значительное ускорение процесса заживления. Гофмейстер, Тейхман и Роттенгейм применяли впрыскивание безбелкового экстракта из кости и костной мозоли у животных и у людей с благоприятным результатом. Казакевич производил поднадкостничные дефекты в подвздошной кости у собак и вводил 1% водный раствор спиртового экстракта костей эмбриона человека, наблюдал клинически и микроскопически ускорение процесса регенерации.
Мы в своих опытах пользовались впрыскиванием в область дефекта кости 2% раствора лизата из костей молодых кроликов, изготовленного по методу проф. Тушнова. К этой серии принадлежат 2 опыта с применением чистого костного лизата и 1 опыт с применением костного лизата + костная мука. Кроме того, мы в 2 опытах производили впрыскивание стафилоккового аутолизата в чистом виде.
Эти опыты по сравнению с контролем дали нам следующие результаты: применение чистого лизата в 2 опытах не дало нам существенного эфекта. Значительное ускорение образования мозоли мы получили лишь в случае применения лизата в соединении с костной мукой ( см. р-грамму 2). Применение стафилококкового лизата даже в соединении с костной мукой дало нам задержку образования мозоли.
Р-грамма № 2. Костный лизат + костная мука
Во II серию входят 5 опытов с применением ософита, который представляет собой натрий-гликкоколь-фосфат.
Ософит был впервые введен в практику Эденом, который проверил его действие экспериментально и на людях, причем установил его стимулирующее влияние на регенеративный процесс в костях.
Наши опыты с применением ософита не дали результатов в смысле ускорения процесса регенерации кости и стоят в соответствии с опытами Буркгарда, который также при той же методике не получил эфекта (см. р-грамму 3).
Р-грамма № 3. Ософит
В IІІ серию входят 3 опыта с применением эмульсии, предложенной Панкратьевым под названием эмульсия № 2.
Она состоит из одной части костной золы и двух частей дестиллированной воды, в которой предварительно растворена желатина 1% и глюко за 2%. Панкратьев вводил эту эмульсию кроликам в подкожную клетчатку едины из расчета 1 куб. см эмульсии на кило веса. Через 10 дней кроликам повторно вводился этот же препарат. Автор отмечает хороший эфект от применения этого препарата. Мы в своих опытах при местном введении этой эмульсии по нашей ме тодике существенного эфекта не получили по сравнению с контролем.
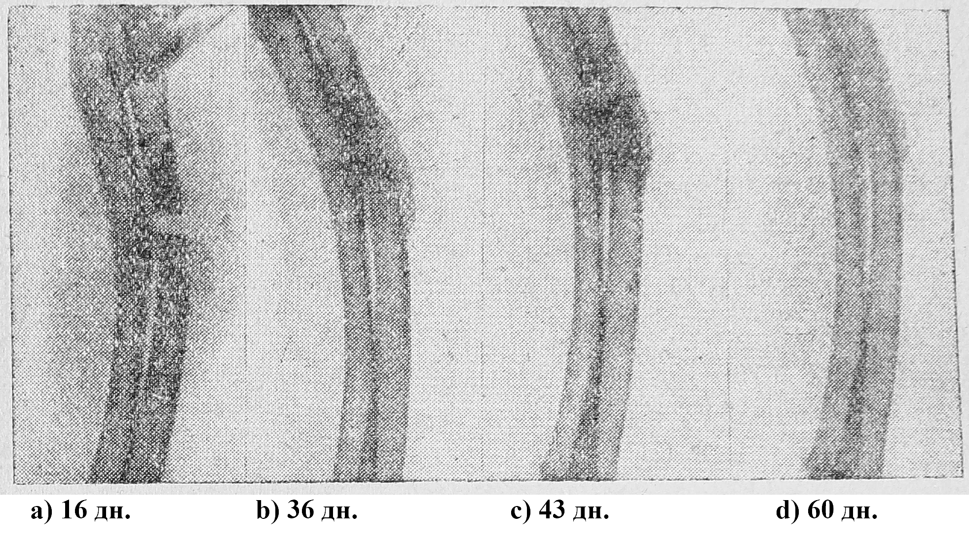
В IV серию входят 6 опытов с применением чистой крови. Кровь бралась нами из ушной вены того же кролика.
В соответствии с данными Бира, Шмидена, Жакова и др. наши опыты дали резко положительный эфект. При этом отмечалось значительное развитие периостальной мозоли и быстрое заполнение области дефекта (в среднем 43 дня) (см. р-грамму 4).
P-грамма № 4. Чистая кровь
В V серию входят 6 опытов с применением крови в соединении с костной мукой.
В этих опытах мы не могли установить особого ускорения образования костной мозоли по сравнению с чистой кровью (см. р-грамму 5).
Р-грамма № 5. Кровь + костная мука
Эти результаты стоят в противоречии с данными Буркгарда, который при применении чистой крови мог установить лишь незначительное ускорение образования костной мозоли, в то время как при применении крови в соединении с костной мукой он получал значительный эфект.
В VI серию входят 2 опыта с применением 5% стафилококковой вакцины в соединении с костной мукой.
В обоих опытах мы ускоряющего влияния на образование костной мозоли не получили. В этом опыте мы рассчитывали на раздражающее и некротическое действие вакцины.
Суммируя данные по применению указанных выше веществ, мы видим, что ни одно из них вопреки литературным указаниям не оказывает стимулирующего действия на образование костной мозоли. Исключение представляет только применение впрыскивания чистой крови, которое в этом отношении дает резкий эфект. Особенностью наших результатов является то, что мы не могли установить особого эфекта от прибавления к различным применяющимся нами органическим веществам костной муки. В частности мы не могли установитъ благоприятного влияния от прибавления костной муки к чистой крови.
About the authors
A. I. Elyashev
State Order of Lenin Institute for Advanced Training of Physicians. S. M. Kirov
							Author for correspondence.
							Email: info@eco-vector.com
				                					                																			                								
Clinic for Emergency Surgery, Department of Radiology
Russian Federation, LeningradM. S. Perlin
State Order of Lenin Institute for Advanced Training of Physicians. S. M. Kirov
														Email: info@eco-vector.com
				                					                																			                								
Clinic for Emergency Surgery, Department of Radiology
Russian Federation, LeningradE. A. Tsyurlo
State Order of Lenin Institute for Advanced Training of Physicians. S. M. Kirov
														Email: info@eco-vector.com
				                					                																			                								
Clinic for Emergency Surgery, Department of Radiology
Russian Federation, LeningradReferences
Supplementary files
 
				
			 
					 
						 
									
 
  
  
 






