Автоматизация технологического процесса нагрева рафинатного раствора в печи установки селективной очистки масел

Cover Page
  • Authors: 1
  • Affiliations:
    1. Филиал Самарского государственного технического университета
  • Issue: Vol 1 (2024)
  • Pages: 352-353
  • Section: ЧАСТЬ I. Вычислительная техника и автоматизация производственных процессов
  • URL: https://kazanmedjournal.ru/osnk-sr2024/article/view/632712
  • ID: 632712

Cite item

Full Text

Abstract

Обоснование. В настоящее время автоматизация технологических процессов и производств стала наиболее актуальной областью промышленности, так как современный мир не стоит на месте, а движется вперед. Она позволяет повысить эффективность работы, улучшить качество продукции, снизить затраты и риски.

Цель — автоматизация технологического процесса нагрева рафинатного раствора в печи установки селективной очистки масел.

Методы. На основании анализа автоматизации выделен объект управления, под которым мы понимаем процесс нагрева рафинатного раствора в печи установки селективной очистки масел. Сюда входит анализ основных этапов процесса, определение необходимых параметров и условий для достижения желаемых результатов. Разработка функциональной схемы автоматизации процесса. На основе изученного технологического процесса составляется схема, определяющая последовательность и взаимосвязь операций, а также необходимые функциональные элементы. Выбор технических средств автоматизации. Проводится анализ различных ТСА, доступных на рынке, и выбираются наиболее подходящие для реализации автоматизации функциональной программы процесса. Составление математической модели контура регулирования рафинатного раствора в печи установки селективной очистки масел. Определяются необходимые параметры и настройка для достижения желаемого расхода. Разработка SCADA-системы. Разработанная программа обеспечивает комплексные решения для автоматизации мониторинга и управления технологическим процессом в режиме реального времени.

Результаты. Предложен алгоритм автоматизации производства, состоящий из трех этапов [1, 2].

 

Рис. 1. График настроенного регулятора

 

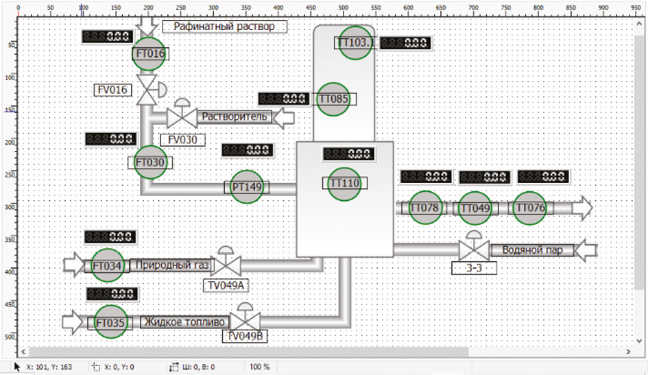
Рис. 2. Мнемосхема нагрева рафинатного раствора в печи установки селективной очистки масел

 

Таблица 1. Спецификация

Номер позиции

Наименование

Тип

Количество

TT103.1, TT085,TT076,

TT049, TT078, TT110

Термопара

Метран – 2000

6

PT149

Датчик избыточного давления

Метран – 150

1

FT016, FT030, FT034, FT035

Кориолисовый расходомер

Метран – 360М

4

FV016,TV049A,TV049B, FV030

Клапан с электроприводом

Динамика – 30нж976нж

4

Программируемый логический контроллер

BRIC

1

 

Автоматизация осуществляется в режиме ограничения импортного оборудования. Данный проект полностью автономен и не зависит от санкций.

Вывод. Автоматизация производства нагрева рафинатного раствора в печи установки селективной очистки масел была реализована с помощью программных комплексов, таких как Компас 3D, MATLAB — Simulink, Simple Light SCADA.

Full Text

Обоснование. В настоящее время автоматизация технологических процессов и производств стала наиболее актуальной областью промышленности, так как современный мир не стоит на месте, а движется вперед. Она позволяет повысить эффективность работы, улучшить качество продукции, снизить затраты и риски.

Цель — автоматизация технологического процесса нагрева рафинатного раствора в печи установки селективной очистки масел.

Методы. На основании анализа автоматизации выделен объект управления, под которым мы понимаем процесс нагрева рафинатного раствора в печи установки селективной очистки масел. Сюда входит анализ основных этапов процесса, определение необходимых параметров и условий для достижения желаемых результатов. Разработка функциональной схемы автоматизации процесса. На основе изученного технологического процесса составляется схема, определяющая последовательность и взаимосвязь операций, а также необходимые функциональные элементы. Выбор технических средств автоматизации. Проводится анализ различных ТСА, доступных на рынке, и выбираются наиболее подходящие для реализации автоматизации функциональной программы процесса. Составление математической модели контура регулирования рафинатного раствора в печи установки селективной очистки масел. Определяются необходимые параметры и настройка для достижения желаемого расхода. Разработка SCADA-системы. Разработанная программа обеспечивает комплексные решения для автоматизации мониторинга и управления технологическим процессом в режиме реального времени.

Результаты. Предложен алгоритм автоматизации производства, состоящий из трех этапов [1, 2].

 

Рис. 1. График настроенного регулятора

 

Рис. 2. Мнемосхема нагрева рафинатного раствора в печи установки селективной очистки масел

 

Таблица 1. Спецификация

Номер позиции

Наименование

Тип

Количество

TT103.1, TT085,TT076,

TT049, TT078, TT110

Термопара

Метран – 2000

6

PT149

Датчик избыточного давления

Метран – 150

1

FT016, FT030, FT034, FT035

Кориолисовый расходомер

Метран – 360М

4

FV016,TV049A,TV049B, FV030

Клапан с электроприводом

Динамика – 30нж976нж

4

Программируемый логический контроллер

BRIC

1

 

Автоматизация осуществляется в режиме ограничения импортного оборудования. Данный проект полностью автономен и не зависит от санкций.

Вывод. Автоматизация производства нагрева рафинатного раствора в печи установки селективной очистки масел была реализована с помощью программных комплексов, таких как Компас 3D, MATLAB — Simulink, Simple Light SCADA.

×

About the authors

Филиал Самарского государственного технического университета

Author for correspondence.
Email: shigaeva.a@icloud.com

студентка

Russian Federation, Новокуйбышевск

References

  1. www.mathworks.com [Электронный ресурс]. Программное обеспечение MatLab Simulink. Режим доступа: https://www.mathworks.com
  2. https://simple-scada.com [Электронный ресурс]. Программное обеспечение Simple Light SCADA. Режим доступа: https://simple-scada.com

Supplementary files

Supplementary Files
Action
1. JATS XML
2. Рис. 1. График настроенного регулятора

Download (38KB)
3. Рис. 2. Мнемосхема нагрева рафинатного раствора в печи установки селективной очистки масел

Download (226KB)

Copyright (c) 2024 Шигаева А.Н.

Creative Commons License
This work is licensed under a Creative Commons Attribution 4.0 International License.